SKF61907
  • 型号:61907
  • 旧型号:- -
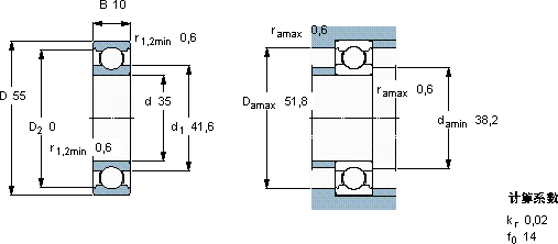
  • 厚度(B):10
  • 品牌:瑞典SKF轴承
  • 内径(d):35
  • 额定转速:--
  • 系列:
  • 外径(D):55
  • 极限转速:--
  • 静负荷:--
  • 动负荷:--
  • 备注:--

产品咨询

021-39598410

产品详情


©2020 上海舒创精密轴承有限公司 备案号:沪ICP备2020027670号
Copyright © 2020 上海舒创精密轴承有限公司
在线客服
服务热线

021-39598410

艳女士:13917547889

张女士:17807560799

谢女士:17807560899

赵先生:13585837217

王女士:15821056186